Ammeter In Parallel Circuit

Postar um comentário

Ammeter In Parallel Circuit. It must be ensured that multimeter is selected in voltage mode before measuring voltage between two points. Ammeter is always connected in series because it has low internal resistance. Ammeter is always connected in series because it has low internal resistance.the current to be.

Series Circuit Problems with Solutions Show Me The Physics
Series Circuit Problems with Solutions Show Me The Physics from showmethephysics.com

The difference in electric potential between two points. Battery lead connected terminal neg marked often hole put always into. A voltmeter is connected in parallel with a device to measure its voltage, while an. Ammeter is always connected in series because it has low internal resistance. To measure the current of something, an ammeter is connected in parallel with it in the circuit. If an ammeter were connected in parallel, all of the current would. A parallel circuit is a circuit where two or more circuits are interconnected. An ammeter is always connected in series with the circuit component you are measuring. The ammeter is used to measure the current flowing through the circuit, so the current should flow properly inside the ammeter to give an accurate result.

Ammeters Are Linked Throughout The Series To Measure The Current That Passes Through Into The Circuit.


The ammeter is used to measure the current flowing through the circuit, so the current should flow properly inside the ammeter to give an accurate result. 4.3.b form 4 parallel circuits www.slideshare.net. If an ammeter were connected in parallel, all of the current would. How should an ammeter be placed in a parallel circuit? An ammeter has a very low internal resistance. The purpose of a parallel circuit is to speed up the process of operations by sharing resources. If you connect an ammeter in parallel then there are two problems.

The Overall Resistance Of Such Circuit Lowers Whenever An Ammeter Would Be Attached.


Ammeter is always connected in series because it has low internal resistance. An ammeter is always connected in series with the circuit component you are measuring. An ammeter is a measuring device used to measure the electric current in a circuit. Current flows through a point, voltage is across two points. It must be ensured that multimeter is selected in voltage mode before measuring voltage between two points. The difference in electric potential between two points. To find the current in any leg, the ammeter needs to be connected in series with the components in.

Why Ammeter Should Be Connected In Series And Voltmeter In Parallel?


Battery lead connected terminal neg marked often hole put always into. Insert an ammeter in series between the cells and. An ammeter measures the current traveling through the circuit. The current to be measured in the circuit should not be practically affected by the ammeter, hence. When we attach the ammeter to the circuit, it measures the current of a. A voltmeter is placed in parallel with the voltage source to receive full voltage and must have a large resistance to limit its effect on the circuit.an ammeter is placed. A voltmeter is used to.

How Is A Voltmeter And Ammeter Connected In A Circuit?


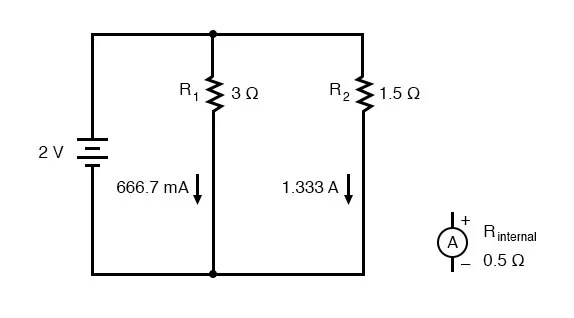
A parallel circuit is a circuit where two or more circuits are interconnected. A voltmeter is connected in parallel with a device to measure its voltage, while an. Set up a parallel circuit with two cells in series with each other and three torch light bulbs in parallel with each other. Current in parallel circuits depends on the voltage applied and the resistance of each leg. Decide on the ammeter readings for the following parallel circuit when the switch is closed.

Related Posts

Postar um comentário